Daftar Isi Halaman Ini:
1.Fitur HGRH-70
1) Pemanasan tepat dimungkinkan.
HGRH-70 adalah pemanas yang mencapai pemanasan suhu tinggi dengan memusatkan cahaya lampu halogen ke batang kaca.
Suhu di ujung batang kaca dapat dinaikkan hingga 890℃.
2) Dapat dimasukkan ke dalam cairan untuk memanaskan cairan secara langsung.
Batang kaca terbuat dari kaca kuarsa, sehingga memiliki ketahanan asam yang sangat baik dan dapat dimasukkan ke dalam cairan seperti bahan kimia dan air laut untuk memanaskannya.
Selain itu, dengan mengontrol suhu, pemanasan terendam dapat ditangani dengan menggunakan wadah kaca kuarsa sebagai pengganti wadah resin polipropilen.
3) Pemanasan dapat dilakukan walaupun pada ruangan yang sempit dan jauh.
Semakin jauh jaraknya, cahaya akan semakin berkurang dan efisiensi pemanasan akan menurun.
Jika diameter batang kaca lebih besar dari itu, pemanasan suhu tinggi dapat dilakukan bahkan di ruang sempit atau terpencil.
4) Dengan membagi cermin kondensor, dapat digunakan sebagai pemanas titik halogen biasa.
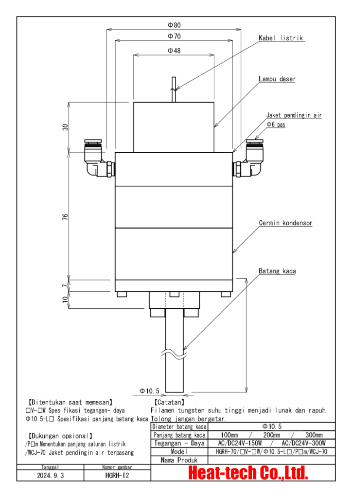
2.Foto Eksterior HGRH-70
Contoh pemasangan batang kaca HGRH-70 ke port pengukur vakum. Dapat diaplikasikan untuk pemanasan di dalam ruang vakum.
3.Waktu Pemanasan HGRH-70
4.Tegangan dan Umur HGRH-70
Seperti yang terlihat pada gambar di atas, penggunaan dengan menurunkan tegangan rating sebesar 10% akan memperpanjang masa hidup perangkat menjadi 3 kali lipat dari masa hidup yang dirancang.
Penggunaan dengan menurunkan tegangan rating sebesar 20% akan memperpanjang masa hidup perangkat menjadi 9 kali lipat dari masa hidup yang dirancang.
5.Kendali Manual -> Seri HCV
Ikhtisar pengontrol catu daya manual seri HCV untuk pemanas halogen
6.Kontrol Suhu Otomatis -> Seri HHC2
Ikhtisar pengontrol pemanas performa tinggi seri HHC2
7. Konfigurasi HGRH-70
Contoh model HGRH-70W/36V-450W/Φ10.5-L100/P2m/WCJ-70
8.Gambar Eksterior HGRH-70
9.Contoh Penggunaan Video Pemanasan HGRH-70
- Tentukan pemanasan pelet polipropilen
- Mengeringkan air pada slide
- Pemanasan tepat kertas dengan sinar
- Pemanasan inframerah tepat pada casing polistiren
- Pemanasan inframerah tepat pada casing polietilen hitam
- Pemanasan tepat inframerah pada spons poliuretan
- Pemanasan tepat pada tusuk sate bambu
- Pemanasan tepat pada batang resin ABS
- Pelelehan Presisi Cokelat dengan Pemanasan Lokal Inframerah
- Pemanasan dan Pelelehan Lokal dengan Inframerah pada Ujung Tabung Poliuretan
- Penggabungan Tabung Poliuretan dengan Pemanasan Lokal Infrared
- Penggabungan Tabung PVC (Polivinil Klorida) dengan Pemanasan Lokal Infrared
- Memanaskan termokopel hingga 900°C dengan pemanas batang kaca halogen
- Penyegelan Tabung Poliuretan Hitam dengan Pemanasan Lokal Inframerah
- Pemotongan Tali Polipropilena dengan Pemanasan Lokal Inframerah
- Pemotongan Tanpa Kontak Kain Poliester dengan Pemanasan Lokal Inframerah
- Penyambungan Lembar Polikarbonat dengan Pemanasan Lokal Inframerah
- Pengelasan Plastik Tanpa Kontak PVC Menggunakan Pemanasan Lokal Inframerah
●Katalog produk pemanas titik halogen

Klik di sini untuk memuat turun katalog PDF
HEAT-TECH Indonesia Indonesia












